(!)NOTE : Windows 7 users won’t be able to use some latest features of eCatalog/WOS since Microsoft is ending support for Windows 7 on 14 Jan, 2020. Please upgrade your system for uninterrupted services.

Economy Clamping Screw

For Cost Reduction, Smart Choice

  • Low price
  • Free rotation of ball head
  • Short delivery time through inventory consolidation
Economy Clamping Screw

Product Features

Advantages of Clamping Screws

Stop screws reduce costs with existing inexpensive clamping workpieces, but they cause various problems.

Economy Clamping Screw
The head of the set screw is uneven, so it is easy to scratch the workpiece.
Scratches on the workpiece are likely. The set screw must be completely loosened to adjust the position, which is very inconvenient.

The disadvantages of stop screws are compensated for with clamping screws.

Economy Clamping Screw
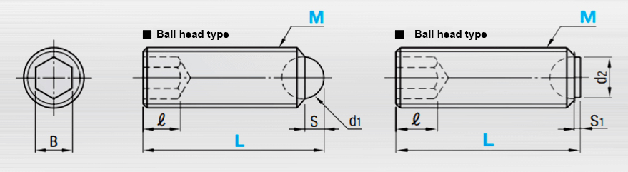
The ball head of the clamping screw has solved the problem of scratches because it makes point contact with the workpiece.
The shear ball head adjusts the workpiece while applying slight preload, ensuring precision and easy adjustment.

Distinction between clamping screw and plunger

Plunger principle: It is a part used for positioning and has a built-in spring. The ball of the shear receives a load and enters the body, and when the load is released, the position is restored by the action of the spring.

Economy Clamping Screw

Clamping screw principle: Fixes the workpiece through the thrust of the screw and the point contact of the ball

Economy Clamping Screw
Economy Clamping Screw
The appearance of the Clamping Screw and Plunger are very similar. What are the differences?

Use Cases

The ball type can be rolled, making position adjustment more convenient, and the workpiece is less likely to be scratched. The angle type can be adjusted according to the angle of the workpiece, allowing for close contact.

Economy Clamping Screw

Using a ball type Clamping Screw Smooth introduction of the workpiece

The height of the workpiece can be adjusted with the adjusting screw, and the angle of the workpiece can be adjusted through the jig reference plane, and the end part is a flat head, making clamping the workpiece more convenient.

Economy Clamping Screw

Low Price

Reference price Nominal screw
diameter: M6
Length L: 16.8mm
Shape: Ball head

Economy Clamping Screw

Cost reduction possible

Fast shipment due to product inventory

Quantity Economy Product
1~100pcs Same-day shipping
101pcs~ Quotation
Economy Clamping Screw
Economy Clamping Screw

Recommended Products

whatsapp-qr whatsapp-icon